Description
Specific 1/4″ 85° Air Forming Punch and Die Press Brake Tooling Set
Inventory # 6327
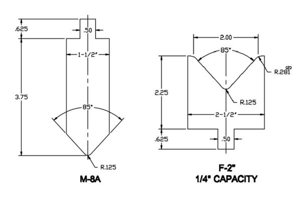
Model: M-8A, F-2
Specifications:
Capacity: 1/4″ and Lighter
Punch:
85° Air Forming Punch
Radius: 1/8″
Clean Up Bar: 1 1/2″
Depth: 3 3/4″
Die:
85° Air Forming Die
Clean Up Bar: 2 1/2″
Opening: 2″
Depth: 2 1/4″
Please Note: Can Be Ordered in Any Length. Please Submit a Request or Call for Pricing
FOB Factory



